|
DN80通用活塞式電(dian)液閥
|
FBDF系列電液閥(fa)是可以通過電腦(nao)遠程操控、精密計(ji)算來實現高精度(du)、定量、多段式啓閉(bi)的閥門。
FBDF-(XX)HS 通用活塞(sai)式電液閥 (XX)爲公稱(cheng)壓力
此類電液閥(fá)适用于成品油、水(shui)、氣體、化學品等介(jiè)質、應用範圍廣。具(ju)有開閉靈活、操作(zuo)簡單、多段控速、重(zhòng)複性誤差小、密封(feng)可靠等特點。
主要(yào)參數:
工作介質:成(cheng)品油、水、氣體、化學(xué)品等
工作溫度:-30℃~80℃
工(gong)作壓力:0.05~1.0(MPa)
工作電壓(ya):AC:220V±10% 50mA*2 DC:24V±10% 500mA*2
電氣接口:G1/2 、 G3/4、NPT1/2、NPT3/4
安裝方(fang)式:宜水平安裝
主(zhǔ)要零件材料:
閥體(tǐ)、閥蓋:鑄鋼 或 不鏽(xiù)鋼
閥芯:鋁合金 或(huo) 不鏽鋼
導管:銅 或(huo) 不鏽鋼
密封材料(liao):氟橡膠、氟矽膠或(huo)PTFE
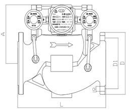
主要外形及連接(jie)尺寸:
|
公稱壓力
MPa
|
公(gong)稱通徑
mm
|
L
mm
|
A
mm
|
D
mm
|
D1
mm
|
d
mm
|
W
Kg
|
|
1.6
|
40
|
200
|
120
|
145
|
110
|
4x
18
|
16
|
|
50
|
210
|
120
|
165
|
125
|
4x
18
|
20
|
|
80
|
280
|
155
|
200
|
160
|
8x
18
|
35
|
|
100
|
350
|
180
|
220
|
180
|
8x
18
|
45
|
|
125
|
400
|
240
|
250
|
210
|
8x
18
|
68
|
|
150
|
455
|
300
|
280
|
240
|
8x
23
|
110
|
|
200
|
550
|
320
|
335
|
295
|
12x25
|
190
|
|
2.0
|
40
|
200
|
120
|
130
|
98.5
|
4x
16
|
17
|
|
50
|
210
|
120
|
150
|
120.5
|
4x
18
|
21
|
|
80
|
280
|
155
|
190
|
152.5
|
4x
18
|
36
|
|
100
|
350
|
180
|
230
|
190.5
|
8x
18
|
47
|
|
125
|
400
|
240
|
255
|
216
|
8x
22
|
70
|
|
150
|
455
|
300
|
280
|
245
|
8x
22
|
115
|
|
200
|
550
|
320
|
345
|
298.5
|
8x
22
|
200
|
|
2.5
|
40
|
200
|
120
|
150
|
110
|
4x18
|
16
|
|
50
|
210
|
120
|
165
|
125
|
4x18
|
20
|
|
80
|
280
|
155
|
200
|
160
|
8x18
|
35
|
|
100
|
350
|
180
|
235
|
190
|
8x22
|
45
|
|
125
|
400
|
240
|
270
|
220
|
8x26
|
68
|
|
150
|
455
|
300
|
300
|
250
|
8x26
|
110
|
|
200
|
550
|
320
|
360
|
310
|
12x
26
|
190
|
|
|
注:法蘭連(lian)接尺寸可參照GB/T9115-2010、HG/T20592-2009、HG/T20615-2009(CLASS系(xì)列)定制。
|
|
|